Hardware>Pipe Rollers>Part #545
Download Part #545 Data Sheet
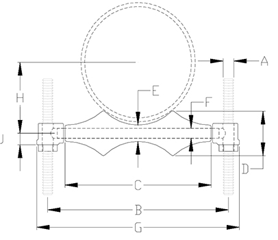
Part #545
Single Pipe Roll Support

Size Range: 1” to 30" pipe.
Material: Cast iron roll and sockets, carbon steel roll rod, continuous thread rods and hex nuts.
Finish: Black, Galvanized, or coated to customer specifications
Applications: For suspension of pipe where longitudinal movement due to expansion and contraction may occur.
Approvals: Complies with federal specification A-A-1192A (Type 41), WW-H-171-E (Type 42) and MSS-SP-69 (Type 41).
How to Size: If roll is to support bare pipe, select the size directly from nominal pipe size. If used with a pipe covering select O.D. of protection saddle.
Ordering: Specify size of roll, part number, name, and finish. Be sure to order oversized rolls when insulation and protection saddle are needed. Hanger rod and nuts to be ordered separately.
