Pyrowrap Shoes> PyroWrap Resting Support
Download PyroWrap Resting Data
HSPW-8x30-4-12-6800
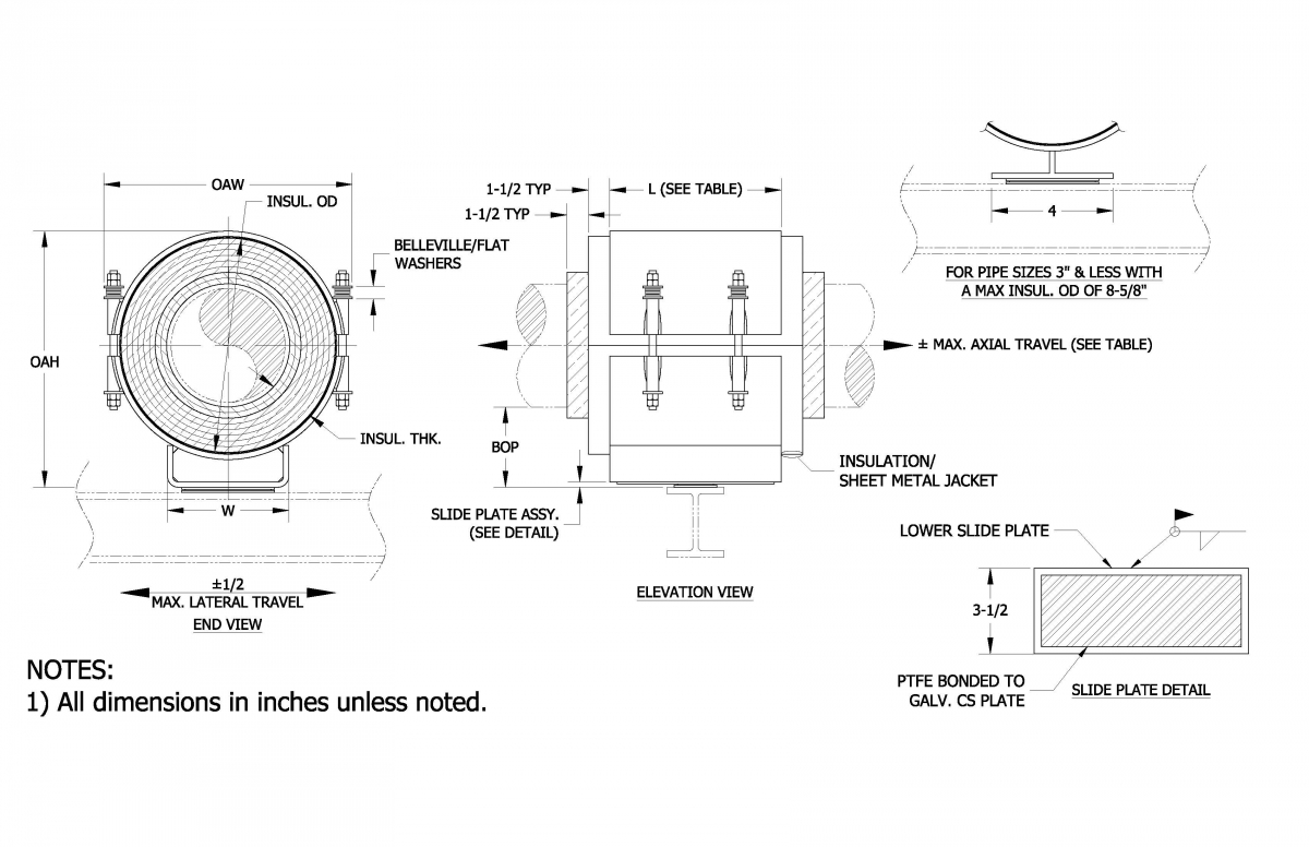
| Applications and Features - Temperature range from -40 Deg F to 1200 Deg F - Higher temperature applications available - Teflon®/2B SS 304 slide plates on shoe and supporting steel - Design loads based on a safety factor of 5 - A36 steel construction - See technical specification RHS-750 |
- Test results available upon request - Steel finish available in galvanized finish or painted - Increased loading capability available. Contact Rilco for additional information - Support constructed in accordance with ASME B31.1, B31.3 and MSS-SP58 - A307 or A193 B7 plated bolts/studs |
Ordering Instructions - Please Specify: - Model Number - Nominal Pipe Size - Insulation Thickness - BOP - Support Length - Vertical Load - Movements |
