Hardware>Pipe Rollers>Part #500
Download Part #500 Data Sheet
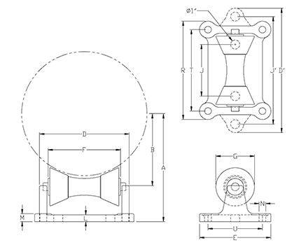
Part #500
Pipe Roll/Stand

Size Range: 2" to 42" pipe
Material: Cast iron roll and stand.
Finish: Black, Galvanized, or coated to customer specifications
Applications: For support of pipe where longitudinal movement resulting from expansion and contraction may take place but vertical adjustment is unnecessary.
How to Size: If roll is to support bare pipe, select the size directly from nominal pipe size. If used with a pipe covering select O.D. of protection saddle.
Approvals: Complies with Manufacturers Standardization Society SP-69 (Type 44)
Ordering: Specify pipe roll size, part number, name, and finish. Be certain to order oversized rolls where insulation makes this necessary. Pipe Rolls available without stand (Part# 502) and Axle (Part# 501).
