Constant Springs>Part #RCS-81H Type C
Download #RCS-81H Type C Data Sheet
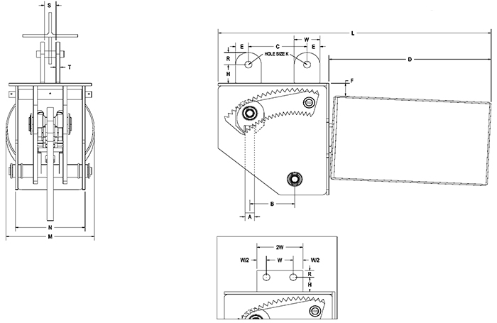
Part #RCS-81H Type C
Constant Spring
The RCS-81H “TYPE C” manufactured using two(2) lugs to accommodate attachment to the building structure also allowing for the use of various types of attachments. (Example: RILCO Part #220). Available in most types of finishes.
|
Hanger Sizes |
D |
E |
F |
|
H |
M |
N |
Total Travel (in.) |
L |
C |
Factors |
A |
||
|
1 - 9 |
8 7/16 |
1 1/4 |
7/8 |
1 1/2 |
6 1/8 |
4 1/8 |
≤ 4 |
13 15/16 |
5 1/2 |
14 5/8 |
1/2 |
|||
|
>4 1/2 |
17 15/16 |
9 1/2 |
17 3/16 |
|||||||||||
|
10 - 18 |
8 7/16 |
1 1/4 |
1/2 |
1 1/2 |
8 5/16 |
6 7/16 |
≤ 5 |
18 7/16 |
7 1/2 |
13 1/16 |
3/4 |
|||
|
>5 1/2 |
21 7/16 |
10 1/2 |
15 7/16 |
|||||||||||
|
19 - 34 |
14 7/16 |
2 |
5/8 |
2 |
12 7/16 |
8 9/16 |
≤ 5 |
26 15/16 |
8 1/2 |
19 7/8 |
1 1/4 |
|||
|
>5 1/2 |
31 1/16 |
12 5/8 |
22 |
|||||||||||
|
35 - 49 |
17 7/16 |
2 1/2 |
11/16 |
3 |
13 3/4 |
9 13/16 |
≤ 6 |
31 9/16 |
9 1/2 |
25 5/8 |
1 3/4 |
|||
|
>6 1/2 |
39 9/16 |
17 1/2 |
30 1/8 |
|||||||||||
|
50 - 63 |
26 3/16 |
3 |
15/16 |
4 |
17 11/16 |
11 1/4 |
≤8 |
45 9/16 |
13 3/8 |
30 11/16 |
2 1/4 |
|||
|
8 1/2 to 11 |
53 9/16 |
21 3/8 |
30 11/16 |
|||||||||||
|
>11 1/2 |
53 9/16 |
21 3/8 |
36 |
|||||||||||
|
64 - 74 |
35 3/4 |
4 |
3 1/4 |
4 1/2 |
22 3/16 |
11 |
≤10 1/2 |
57 1/2 |
13 3/4 |
42 3/8 |
2 3/4 |
|||
|
>11 |
63 |
19 1/4 |
42 1/2 |
|||||||||||
|
75 - 83 |
35 3/4 |
4 1/2 |
3 5/8 |
5 |
27 3/16 |
11 |
≤10 1/2 |
57 1/2 |
12 3/4 |
45 3/4 |
3 1/4 |
|||
|
>11 |
63 |
18 1/4 |
45 7/8 |
|||||||||||
|
84-110 |
See RCS-81H Types A, B, C and E Constants Page |
|||||||||||||
|
“A”-Rod and “K”-Hole Selection Chart |
||||||||||||||
|
Loads (lbs) |
0 |
801 |
1501 |
2541 |
4001 |
6101 |
9401 |
13401 |
18301 |
24701 |
31001 |
39001 |
48001 |
|
|
A Rod Size |
1/2 |
5/8 |
3/4 |
1 |
1 1/4 |
1 1/2 |
1 3/4 |
2 |
2 1/4 |
2 1/2 |
2 3/4 |
3 |
3 1/4** |
|
|
K-Hole Size |
11/16 |
13/16 |
15/16 |
1 1/4 |
1 1/2 |
1 3/4 |
2 |
2 3/8 |
2 5/8 |
2 7/8 |
3 1/8 |
3 3/8 |
3 5/8 |
|
|
R |
1 1/4 |
1 1/4 |
1 1/4 |
1 1/2 |
2 |
2 1/2 |
2 1/2 |
3 |
3 |
4 |
4 |
4 |
4 1/2 |
|
|
S |
7/8 |
1 1/16 |
1 1/4 |
1 5/8 |
2 |
2 3/8 |
2 5/8 |
2 7/8 |
3 1/8 |
3 5/8 |
3 5/8 |
3 7/8 |
4 1/8 |
|
|
T |
1/4* |
1/4* |
3/8 |
1/2 |
5/8 |
3/4 |
3/4 |
|
3/4 |
1 |
1 |
1 |
1 |
|
|
W |
2 1/2 |
2 1/2 |
2 1/2 |
3 |
4 |
5 |
5 |
6 |
6 |
8 |
8 |
8 |
9 |
|
|
le rod suspension ** 3 1/4 inch is furnished with 8 UN series thread. |
|
|||||||||||||
